RX-8 WS AEM Kit Einbau Hilfe
Ziehen Sie von der Batterie den Plus und Minus Pol ab.
Bauen Sie Luftfilterkasten und Ansaugschlauch ab.
Demontieren Sie die die alten Zündspulen, Halter und Zündkabel.
Um besser an die Zündkabel Stecker der Zündkerzen ran zukommen ist es sinnvoll die linke Rad vorne runter zu schrauben.
Bitte beachten Sie immer, daß die Zündreihenfolge stimmt!
Daher die Stecker vom Motorkabelbaum beim Ausbau mit einem Edding markieren.


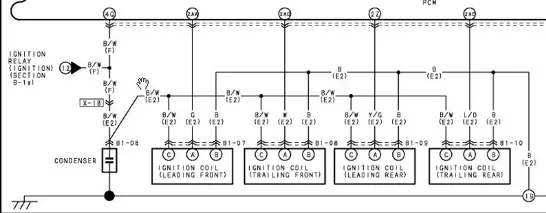
Kabel Schema:

Leading ist immer die untere Kerze, Trailling ist immer die obere Kerze.
Leading Front = L1, Trailing Front = T1, Leading Rear = L2, Trailling Rear = T2
OEM Kabelbaum 3 Farben pro Stecker:
L1 = Schwarz/Weiss, Grün, Schwarz
T1 = Schwarz/Weiss, Weiss, Schwarz
L2 = Schwarz/Weiss, Gelb/Grün, Schwarz
T2 = Schwarz/Weiss, Hellblau, Schwarz
Das Schema für die AEM Spulen muss genau so angeschlossen werden, da andernfalls die Zündkabel zu kurz sind!

Zündspulen Halter mit den 4 kurzen Abstandhülsen ohne Spulen mit den 3 mitgelieferten Schrauben M6 Schlüsselweite 10 montieren
Den gewinkelten Massestecker (-)ENG entweder an die innere Halterschraube oder an einem der Zündspulenbolzen vom Halter und Masse (-)BAT immer an den (-) Batterie Pol mit anschrauben.

Montieren Sie zuerst die AEM Zündspulen für Leading Hinten und Leading Vorne und beachten Sie dabei unbedingt die richtige Adapter- und Zündkabelbelegung
Immer etwas WD40 oder Ballistol in die Zündstecker sprühen, dann klacken diese schön sauber ein.
Achtung unbedingt genau ausführen:
Der graue Silikon Stecker muss bündig am Spulenkopf sitzen. Es darf auf der runden Fläche keine Nut/Spalt mehr sichtbar sein! Siehe Bilder.
Wenn die Stecker nicht perfekt sauber sitzen können Spulen und Kabel schaden nehmen.
WICHTIG Es müssen beim Betreiben der Spulen immer die Zündkabel und Zündkerzen bündig angeschlossen sein.
Ansonsten können diese in Sekunden zerstört werden.

4 Lange Abstand Hülsen einsetzen.
Dann montieren Sie die AEM Zündspulen für Trailing Hinten und Trailling Vorne, sowie die 4 Stück M6 Sechskant Muttern


Zum Schluss falls noch nicht vorher passiert noch das 62cm lange Masse Kabel (-) BAT mit an den Minuspol Verschraubung der Batterie anschliessen und BAT (+) der Batterie anschliessen.
Dann die Kabel mit Kabelbinder fixieren.



Ansaugschlauch und Luftfilter wieder einbauen.
Vor dem ersten Motorstart mit den neuen Spulen bitte IMMER den
Excenterwellen Sensor kalibrieren und N-VRam löschen, siehe Hier:
ECU NVRAM, KAM, Exzenterwellen Kalibrierung
Wir übernehmen keinerlei Gewähr für die Aktualität, Korrektheit, Vollständigkeit oder Qualität der bereitgestellten Informationen. Haftungsansprüche gegen uns, welche sich auf Schäden materieller oder ideeller Art beziehen, die durch die Nutzung oder Nichtnutzung der dargebotenen Informationen bzw. durch die Nutzung fehlerhafter und unvollständiger Informationen verursacht wurden, sind grundsätzlich ausgeschlossen!